
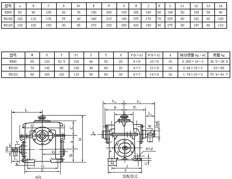
WD涡轮减速机是一种用途广泛的工业产品,其性能可与其它军品级减速机产品相媲美,却有着工业级产品的价格,被应用于广泛的工业场合。减速机是一种具有广泛通用性的新性减速机,内部齿轮采用20CvMnT渗碳淬火和磨齿。整机具有结构尺寸小,输出扭矩大,速比在、效率高、性能可靠等特点。该标准为传动的阿基米德圆柱蜗杆减速器;WS(蜗杆上置)WD(蜗杆下置)。(蜗阿基米德圆柱蜗杆减速机适用于蜗杆啮合处滑动速度不大于7.5m/s;蜗杆速度不超过1500r/min;工作环境温度为-40~+40℃;并可正、反方向运转的场合。
型号标记
圆柱蜗杆减速器的标记包括:型号、传动比、装配型式
标记示例:






